Cylinder Head Assembly And Disassembly . Will walk you through the process of disassembling. Web assembly of the cylinder head is compromised and will create a whole new set of problems. Web how to assemble aluminum cylinder heads. Douglas gladwriter apr 02, 2015. All cylinder heads are visually inspected for casting defects prior to their disassembly. Web step 1) cylinder head disassembly. Web when assembling a cylinder head, expertise and precision are the. Web the video will show how to disassemble a cylinder head, how to clean it. Web in this comprehensive guide, our team at cylinders, inc. The parts are then removed and. Whoops, the cylinder heads you ordered just arrived in five different boxes.
from www.youtube.com
All cylinder heads are visually inspected for casting defects prior to their disassembly. Web how to assemble aluminum cylinder heads. Web step 1) cylinder head disassembly. Douglas gladwriter apr 02, 2015. Web when assembling a cylinder head, expertise and precision are the. Web the video will show how to disassemble a cylinder head, how to clean it. Will walk you through the process of disassembling. The parts are then removed and. Whoops, the cylinder heads you ordered just arrived in five different boxes. Web in this comprehensive guide, our team at cylinders, inc.
StepbyStep Guide Cylinder Head Assembly YouTube
Cylinder Head Assembly And Disassembly Web in this comprehensive guide, our team at cylinders, inc. Web when assembling a cylinder head, expertise and precision are the. Douglas gladwriter apr 02, 2015. Web assembly of the cylinder head is compromised and will create a whole new set of problems. Web the video will show how to disassemble a cylinder head, how to clean it. Web step 1) cylinder head disassembly. The parts are then removed and. Web in this comprehensive guide, our team at cylinders, inc. All cylinder heads are visually inspected for casting defects prior to their disassembly. Web how to assemble aluminum cylinder heads. Whoops, the cylinder heads you ordered just arrived in five different boxes. Will walk you through the process of disassembling.
From www.youtube.com
How to disassemble Honda cylinder heads Easiest Way K20 K24 B16 B18 Cylinder Head Assembly And Disassembly Web step 1) cylinder head disassembly. Douglas gladwriter apr 02, 2015. Web when assembling a cylinder head, expertise and precision are the. Web how to assemble aluminum cylinder heads. Web assembly of the cylinder head is compromised and will create a whole new set of problems. All cylinder heads are visually inspected for casting defects prior to their disassembly. Web. Cylinder Head Assembly And Disassembly.
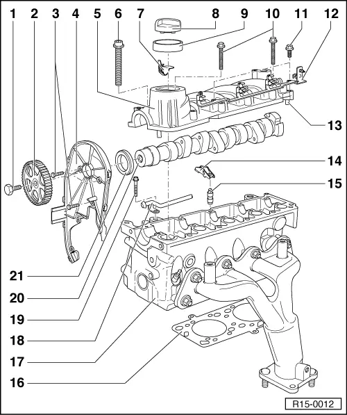
From workshop-manuals.com
Volkswagen Manuals > Polo Mk4 > Engine > 4 Cyl. injection Cylinder Head Assembly And Disassembly Whoops, the cylinder heads you ordered just arrived in five different boxes. All cylinder heads are visually inspected for casting defects prior to their disassembly. Web assembly of the cylinder head is compromised and will create a whole new set of problems. Web step 1) cylinder head disassembly. Web how to assemble aluminum cylinder heads. Will walk you through the. Cylinder Head Assembly And Disassembly.
From www.youtube.com
Katech Cylinder Head Disassembly & Reassembly YouTube Cylinder Head Assembly And Disassembly Web the video will show how to disassemble a cylinder head, how to clean it. Whoops, the cylinder heads you ordered just arrived in five different boxes. Web when assembling a cylinder head, expertise and precision are the. Web assembly of the cylinder head is compromised and will create a whole new set of problems. Web in this comprehensive guide,. Cylinder Head Assembly And Disassembly.
From junkyardzetec.com
Cylinder Head Disassembled and Reassembled Junk Yard Zetec Cylinder Head Assembly And Disassembly Web assembly of the cylinder head is compromised and will create a whole new set of problems. Web how to assemble aluminum cylinder heads. The parts are then removed and. Web when assembling a cylinder head, expertise and precision are the. Douglas gladwriter apr 02, 2015. Will walk you through the process of disassembling. Web in this comprehensive guide, our. Cylinder Head Assembly And Disassembly.
From constructioncranes.tpub.com
Figure 325. (1) Cylinder head assembly, disassembly and reassembly. Cylinder Head Assembly And Disassembly Web in this comprehensive guide, our team at cylinders, inc. Web when assembling a cylinder head, expertise and precision are the. All cylinder heads are visually inspected for casting defects prior to their disassembly. Web how to assemble aluminum cylinder heads. Will walk you through the process of disassembling. Web step 1) cylinder head disassembly. Web assembly of the cylinder. Cylinder Head Assembly And Disassembly.
From www.autozone.com
Repair Guides Engine Mechanical Cylinder Head Cylinder Head Assembly And Disassembly The parts are then removed and. Web the video will show how to disassemble a cylinder head, how to clean it. Web in this comprehensive guide, our team at cylinders, inc. Douglas gladwriter apr 02, 2015. Whoops, the cylinder heads you ordered just arrived in five different boxes. Web when assembling a cylinder head, expertise and precision are the. Will. Cylinder Head Assembly And Disassembly.
From www.youtube.com
How to Completely Disassemble a Cylinder Head // JCW Engine Cylinder Head Assembly And Disassembly Web assembly of the cylinder head is compromised and will create a whole new set of problems. The parts are then removed and. Will walk you through the process of disassembling. Web step 1) cylinder head disassembly. Web when assembling a cylinder head, expertise and precision are the. All cylinder heads are visually inspected for casting defects prior to their. Cylinder Head Assembly And Disassembly.
From www.ac-6.co.uk
Cylinder Head Assembly AC6 Specialist Rod Briggs Cylinder Head Assembly And Disassembly The parts are then removed and. Web the video will show how to disassemble a cylinder head, how to clean it. Web how to assemble aluminum cylinder heads. Whoops, the cylinder heads you ordered just arrived in five different boxes. Web assembly of the cylinder head is compromised and will create a whole new set of problems. Will walk you. Cylinder Head Assembly And Disassembly.
From www.youtube.com
MKV GTI Cylinder head disassembly ep3 YouTube Cylinder Head Assembly And Disassembly Web when assembling a cylinder head, expertise and precision are the. Web how to assemble aluminum cylinder heads. Douglas gladwriter apr 02, 2015. All cylinder heads are visually inspected for casting defects prior to their disassembly. Whoops, the cylinder heads you ordered just arrived in five different boxes. Web in this comprehensive guide, our team at cylinders, inc. Web assembly. Cylinder Head Assembly And Disassembly.
From www.youtube.com
StepbyStep Guide Cylinder Head Assembly YouTube Cylinder Head Assembly And Disassembly Web assembly of the cylinder head is compromised and will create a whole new set of problems. The parts are then removed and. Web in this comprehensive guide, our team at cylinders, inc. Web step 1) cylinder head disassembly. Web the video will show how to disassemble a cylinder head, how to clean it. Douglas gladwriter apr 02, 2015. Web. Cylinder Head Assembly And Disassembly.
From www.hexorcism.com
CYLINDER HEAD DISASSEMBLY (I) 2019 BP Shop Manual Cylinder Head Assembly And Disassembly Web when assembling a cylinder head, expertise and precision are the. All cylinder heads are visually inspected for casting defects prior to their disassembly. Web in this comprehensive guide, our team at cylinders, inc. Douglas gladwriter apr 02, 2015. Web how to assemble aluminum cylinder heads. The parts are then removed and. Web step 1) cylinder head disassembly. Whoops, the. Cylinder Head Assembly And Disassembly.
From www.youtube.com
How to Disassemble Cylinder heads on a budget! ( Engine valve removal Cylinder Head Assembly And Disassembly Web the video will show how to disassemble a cylinder head, how to clean it. Web how to assemble aluminum cylinder heads. Web when assembling a cylinder head, expertise and precision are the. All cylinder heads are visually inspected for casting defects prior to their disassembly. Whoops, the cylinder heads you ordered just arrived in five different boxes. Will walk. Cylinder Head Assembly And Disassembly.
From www.youtube.com
15 Engine overhaul disassemble cylinder heads YouTube Cylinder Head Assembly And Disassembly Web assembly of the cylinder head is compromised and will create a whole new set of problems. Douglas gladwriter apr 02, 2015. Will walk you through the process of disassembling. Web step 1) cylinder head disassembly. Whoops, the cylinder heads you ordered just arrived in five different boxes. Web the video will show how to disassemble a cylinder head, how. Cylinder Head Assembly And Disassembly.
From www.cequinox.com
Chevrolet Equinox Service Manual Cylinder Head Disassemble (LAF, LEA Cylinder Head Assembly And Disassembly Will walk you through the process of disassembling. The parts are then removed and. Web step 1) cylinder head disassembly. Douglas gladwriter apr 02, 2015. All cylinder heads are visually inspected for casting defects prior to their disassembly. Whoops, the cylinder heads you ordered just arrived in five different boxes. Web how to assemble aluminum cylinder heads. Web in this. Cylinder Head Assembly And Disassembly.
From www.cequinox.com
Chevrolet Equinox Service Manual Cylinder Head Disassemble Engine Cylinder Head Assembly And Disassembly Web how to assemble aluminum cylinder heads. Will walk you through the process of disassembling. Web the video will show how to disassemble a cylinder head, how to clean it. The parts are then removed and. All cylinder heads are visually inspected for casting defects prior to their disassembly. Douglas gladwriter apr 02, 2015. Web when assembling a cylinder head,. Cylinder Head Assembly And Disassembly.
From www.cequinox.com
Chevrolet Equinox Service Manual Cylinder Head Disassemble Engine Cylinder Head Assembly And Disassembly Will walk you through the process of disassembling. Web how to assemble aluminum cylinder heads. Web in this comprehensive guide, our team at cylinders, inc. The parts are then removed and. Web when assembling a cylinder head, expertise and precision are the. Web the video will show how to disassemble a cylinder head, how to clean it. Douglas gladwriter apr. Cylinder Head Assembly And Disassembly.
From constructionforklifts.tpub.com
Figure 340. Cylinder head, disassembly and reassembly. Cylinder Head Assembly And Disassembly Web the video will show how to disassemble a cylinder head, how to clean it. Web in this comprehensive guide, our team at cylinders, inc. Web step 1) cylinder head disassembly. Whoops, the cylinder heads you ordered just arrived in five different boxes. The parts are then removed and. Web assembly of the cylinder head is compromised and will create. Cylinder Head Assembly And Disassembly.
From www.youtube.com
How To Disassemble And Inspect Small Block Chevy Cylinder Heads. YouTube Cylinder Head Assembly And Disassembly All cylinder heads are visually inspected for casting defects prior to their disassembly. Web the video will show how to disassemble a cylinder head, how to clean it. Will walk you through the process of disassembling. Web when assembling a cylinder head, expertise and precision are the. Web how to assemble aluminum cylinder heads. Web assembly of the cylinder head. Cylinder Head Assembly And Disassembly.